My Account
Register
Log in
Wishlist
(0)
Close
Home Page
Pocket Door Hardware
Wall Mount (Barn Door) Hardware
Sliding Bypass Hardware
Sliding Multi-Pass Hardware
Bi-Folding Door Hardware
Multi-Folding Hardware
Individual Parts/Accessories
Installation Instructions
Videos
Application Guide
Image Gallery
(0)
items
You have no items in your shopping cart.
Products
Search
Menu
Shopping cart
Filters
Personal menu
Preferences
Search
Home
/
Individual Parts/Accessories
/
Sliding Door Guides
/
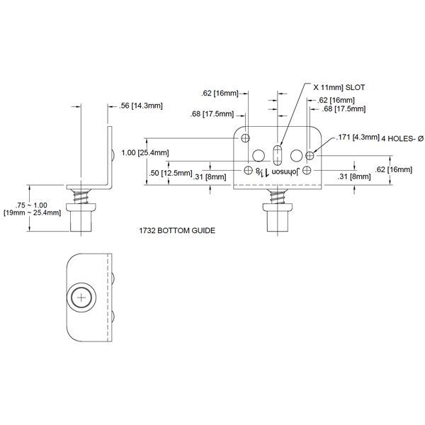
1732 Side Mount Door Guide, 1-1/8" [29mm] Panel
Print
×
1732 Side Mount Door Guide, 1-1/8" [29mm] Panel
$3.63
1700 Series Folding Door Side Mount Door Guide Panel Thickness: 1-1/8"
Manufacturer part number:
1732
Qty:
Add to cart
Custom wishlist
OK
Add to wishlist
Share: